In many industrial facilities, pressure vessels that have been operating for years may no longer have complete engineering documentation available. Without proper design drawings and analysis reports, it can be challenging for companies to obtain regulatory approvals or verify the vessel’s operational safety.
At SPL Global Technologies (SPL), our engineering team specializes in reverse engineering services for pressure vessels, helping clients reconstruct accurate engineering documentation from existing physical equipment. Through advanced engineering software and technical expertise, we ensure that vessels meet safety requirements and regulatory compliance standards.
Project Overview
In this project, SPL was engaged to perform reverse engineering for an existing pressure vessel where the original design documentation was unavailable. The objective was to develop a General Arrangement (GA) drawing and generate a comprehensive pressure vessel analysis report required for submission to the local government authority to certify the vessel’s safety for operational use.
By reconstructing the design digitally, we were able to provide the client with the necessary documentation for regulatory approval and long-term asset management.
Engineering Approach
Our reverse engineering workflow began with detailed measurement and documentation of the physical pressure vessel, including its dimensions, structural components, and material specifications.
The engineering process involved the following steps:
1. Data Collection and Modeling
The vessel’s physical measurements and material information were first captured and reconstructed digitally using CADWorx Plant Professional. This allowed our engineers to create a precise 2D & 3D representation of the equipment and establish accurate geometry for further analysis.
2. Pressure Vessel Design and Analysis
Once the geometry and material data were defined, the vessel was designed and analysed using PV Elite software.
This stage involved performing detailed engineering calculations to:
- Verify pressure vessel integrity
- Ensure compliance with relevant design codes AD2000
- Evaluate stress, thickness requirements, and allowable pressure conditions
- Generate a complete engineering report for regulatory submission
The analysis ensured that the vessel met safe operating conditions based on its structural configuration and material properties.
3. Equipment Modelling and Drawing Development
After completing the pressure vessel analysis, the finalised pressure vessel model together with its validated design data from PV Elite was imported into CADWorx Equipment and integrated back into CADWorx Plant Professional.
This step allowed our engineers to:
- Replicate the vessel orientation accurately
- Create a detailed General Arrangement (GA) drawing
- Ensure consistency between engineering analysis and plant design documentation
The GA drawing provided a clear visualization of the vessel layout, structural components, and orientation required for project documentation and regulatory review.

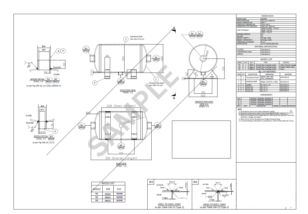
Figure 1: Sample GA drawing for the vessel design